Kontaktujte nás
-
ADD:Wei Four Road, průmyslový park Weizhuang, Changyuan
Okres, Xinxiang City, provincie Che-nan, Čína
MOBILNÍ TELEFON:+86133237366666
TEL:+86-373-86144444 Tel:+86-373-8614444
MAX:+86-373-8614333
E‑mailové:sales@zybc.com

Elektrohydraulické bubnové brzdy řady YWZ4 (YT1)
1.Výrobek Elektrohydraulické bubnové brzdy řady YWZ4 (s elektrohydraulickým pohonem typu YT1) Certifikace: ISO9001, ISO14001, OHSAS18001, TX, EX, MA atd. Balení: exportní standard Max. Průměr bubnu (mm): 800 Max. Brzdný moment (Nm) 12500 Provozní podmínky "Teplota okolí: ...
Popis
1. Úvod
Elektrohydraulické bubnové brzdy řady YWZ4 (s elektrohydraulickým pohonem typu YT1)
Certifikace: ISO9001, ISO14001, OHSAS18001, TX, EX, MA atd
Balení: exportní standard
Max. Průměr bubnu (mm): 800
Max. Brzdný moment (Nm) 12500
Provozní podmínky "Teplota okolí: -20 ° C ~ + 50 ° C;
Relativní vlhkost: ≤90%;
Napájení: AC 3 fáze 50 (60) Hz
Napětí: 380 ~ 400V 50Hz 440 ~ 460V 60Hz
Provozní doba: přerušovaná (S3-60% .1200x za hodinu) a kontinuální (S1).
Zvláštní požadavky lze projednat v pořadí.

2.Použití:
Elektrohydraulická bubnová brzda může být široce využívána pro různá zpomalení a zastavení / brzdění různého dopravního pásu, manipulace s porty, zvedání, hutnictví, těžby a stavebních strojů.
3. Hlavní funkce:
Brzdová obložení je vyrobena z kartonového celistvého tvarovacího materiálu, snadno se vyměňuje. Na zákazníky je k dispozici podšívka z různých materiálů, jako je polokov (ne azbest), tvrdá a polotuhá, měkká (azbest nebo ne azbest) Vybrat.
Mazací ložiska (pouzdra)
4.Standardní požadavky:
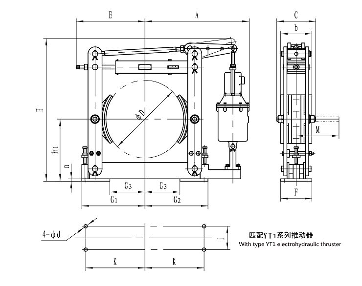
Rozměry a parametry brzdného momentu brzd řady YWZ4 odpovídají standardu JB / ZQ4388-86, technologické požadavky vyhovují standardu JB / T6406-2006.
5.Specifikace / technické parametry
| Typ brzdy | Typ trysky | Brzdný moment (Nm) | Rozměry (mm) | váha (kg) | |||||||||||||||
A | b | C | D | d | E | F | G1 | G2 | H | h1 | i | K | M | n | G3 | ||||
YWZ4-100 / 18 | YT1-18z / 2 | 40 | 269 | 70 | 137 | 100 | 13 | 130 | 75 | 125 | 125 | 384 | 100 | 40 | 110 | 144 | 6 | 50 | 20 |
YWZ4-150 / 25 | YT1-25z / 4 | 100 | 307 | 90 | 154 | 150 | 17 | 175 | 100 | 170 | 170 | 437 | 140 | 60 | 150 | 144 | 8 | 70 | 26 |
YWZ4- 200/25 | YT1-25z / 4 | 200 | 347 | 90 | 154 | 200 | 17 | 210 | 100 | 195 | 195 | 437 | 170 | 60 | 175 | 156 | 8 | 95 | 30 |
YWZ4- 300/25 | YT1-25z / 4 | 320 | 447 | 140 | 160 | 300 | 22 | 290 | 130 | 275 | 275 | 590 | 240 | 80 | 250 | 210 | 10 | 125 | 63 |
YWZ4- 300/45 | YT1-45z / 5 | 630 | 459 | 140 | 178 | 300 | 22 | 290 | 130 | 275 | 275 | 590 | 240 | 80 | 250 | 210 | 10 | 125 | 70 |
YWZ4- 300/90 | YT1-90z / 8 | 750 | 510 | 140 | 210 | 300 | 22 | 320 | 130 | 275 | 275 | 690 | 240 | 80 | 250 | 210 | 10 | 125 | 80 |
YWZ4- 400/45 | YT1-45z / 5 | 1000 | 564 | 180 | 220 | 400 | 22 | 370 | 180 | 350 | 350 | 750 | 320 | 130 | 325 | 275 | 12 | 190 | 120 |
YWZ4- 400/90 | YT1-90z / 8 | 1600 | 595 | 180 | 220 | 400 | 22 | 370 | 180 | 350 | 350 | 750 | 320 | 130 | 325 | 275 | 12 | 190 | 130 |
YWZ4- 400/125 | YT1-125z / 10 | 2200 | 670 | 180 | 254 | 400 | 22 | 370 | 180 | 350 | 350 | 847 | 320 | 130 | 325 | 279 | 12 | 190 | 167 |
YWZ4- 500/90 | YT1-90z / 8 | 2500 | 670 | 200 | 250 | 500 | 22 | 440 | 200 | 405 | 405 | 919 | 400 | 150 | 380 | 310 | 16 | 225 | 210 |
YWZ4-500 / 125 | YT1-125z / 10 | 2650 | 692 | 200 | 254 | 500 | 22 | 440 | 200 | 405 | 405 | 940 | 400 | 150 | 380 | 310 | 16 | 225 | 220 |
YWZ4- 500/180 | YT1-180z / 12 | 3000 | 692 | 200 | 254 | 500 | 22 | 440 | 200 | 405 | 405 | 946 | 400 | 150 | 380 | 310 | 16 | 225 | 235 |
YWZ4- 600/90 | YT1-90z / 8 | 3200 | 805 | 240 | 315 | 600 | 26 | 555 | 220 | 500 | 500 | 1087 | 475 | 170 | 475 | 400 | 18 | 250 | 400 |
YWZ4- 600/125 | YT1-125z / 10 | 4500 | 827 | 240 | 315 | 600 | 26 | 555 | 220 | 500 | 500 | 1095 | 475 | 170 | 475 | 400 | 18 | 250 | 415 |
YWZ4- 600/180 | YT1-180z / 12 | 5000 | 827 | 240 | 315 | 600 | 26 | 555 | 220 | 500 | 500 | 1095 | 475 | 170 | 475 | 400 | 18 | 250 | 430 |
YWZ4- 700/180 | YT1-180z / 12 | 8000 | 957 | 280 | 390 | 700 | 34 | 600 | 270 | 575 | 575 | 1248 | 550 | 200 | 540 | 495 | 25 | 315 | 500 |
YWZ4- 800/180 | YT1-180z / 12 | 10000 | 1094 | 320 | 436 | 800 | 34 | 680 | 320 | 677 | 677 | 1389 | 600 | 240 | 620 | 556 | 25 | 367 | 720 |
YWZ4- 800/320 | YT1-320z / 12 | 12500 | 1155 | 320 | 436 | 800 | 34 | 680 | 320 | 677 | 677 | 1389 | 600 | 240 | 620 | 556 | 25 | 367 | 885 |
6.FAQ
1. Jste výrobce, obchodní společnost nebo třetí strana?
Jsme výrobcem a od roku 2004 jsme vybudovali naši společnost.
2. Kde se nachází vaše továrna?
Naše tovární adresa je: Weizhuang průmyslové Park Changyuan County Xinxiang City, provincie Henan, Čína.
3. Jak se dostanu do továrny?
Naše továrna je blízko letiště zhengzhou, můžeme vás vyzvednout na letišti.
4. Pokud budu muset zůstat na svém místě několik dní, je možné, aby si hotel rezervoval pro mě?
Je to vždycky potěšením, hotelová rezervace je k dispozici.
5. Jaká je vaše minimální objednávka, můžete mi poslat vzorky?
Naše minimální množství je 1 sada, protože náš výrobek je strojní zařízení, je to obtížné poslat vzorky, ale můžeme vám poslat katalog, srdečně vás uvítáme, abyste přišli navštívit naši společnost.
6. Která úroveň kvality jsou vaše produkty?
Máme certifikáty ISO9001, ISO14001, OHSAS18001, TX, EX, MA atd.
7. Jaký je čas dodání vašeho stroje?
Obecně platí, že dodací lhůta našeho stroje je asi 7 dní, zákaznický servis bude dodán s vyjednáváním s našimi klienty.
8. Může být stroj přizpůsoben podle našich potřeb, jako je například logo?
Jistě náš stroj může být přizpůsoben podle vašeho přání, je také k dispozici vaše logo.
9. Jak bude doba přepravy trvat dlouho, jak se můžete ujistit, že stroj vyhrála?
Náš stroj je zabalen do fólie, aby se zajistilo, že stroj bude hladce dodán zákazníkovi, použijeme ocelový drát k upevnění stroje na nádobu.
10. Mohu vědět, jakou platbu vaše společnost přijme?
Dosud 100% T / T před odesláním a 30% vkladů placených T / T, zůstatek placený L / C jsou k dispozici.
11. O poprodejním servisu, jak můžete včas vyřešit problémy vašeho zámořského zákazníka?
Záruka našeho stroje je obvykle 12 měsíců, během tohoto období okamžitě zajistíme mezinárodní expres, abychom se ujistili, že náhradní díly budou doručeny co nejdříve.
12. Po zadání objednávky zajistíte v současné době instalaci stroje?
Všechny stroje budou testovány ještě před doručením, takže téměř lze je použít přímo, i když je náš stroj snadno instalován, pokud si zákazník potřebuje naši pomoc, budeme potěšeni, že zajistíme instalaci, ale veškeré náklady budou být účtován tebou.
13. Jak mohu získat servis?
Náhradní díly vám zašleme zdarma, pokud se vyskytnou problémy.
Pokud se jedná o potíže způsobené muži, zasíláme také náhradní díly, ale je účtováno. Jakýkoli problém, můžete nám zavolat přímo.
14.Jak mohu věřit vaší společnosti?
S 20-letým profesionálním designem vám můžeme nabídnout vhodný návrh a nejnižší cenu
1. Posuzováno třetími stranami, národní patenty a ISO pro všechna zařízení.
2. Pro náš stroj děláme velmi dobře na dopravě pásů, manipulaci s porty, zvedání, metalurgické, těžební a stavební stroje ..
15. Je vaše cena konkurenční?
Pouze kvalitní stroj dodáváme. Určitě vám poskytneme nejlepší výrobní cenu na základě vynikajících produktů a služeb.
Populární Tagy: YWZ4 (YT1) série elektro-hydraulické bubnové brzdy, Čína, výrobci, dodavatel, továrna, na míru
Mohlo by se Vám také líbit












